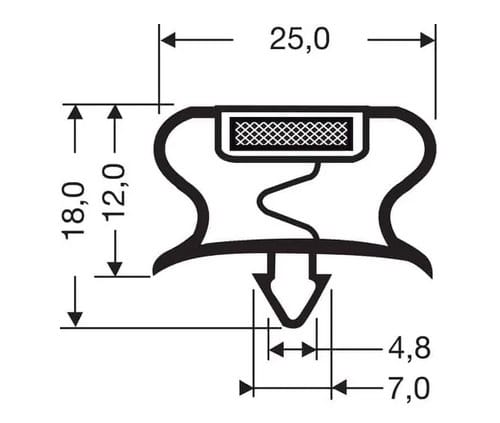
Uszczelka z magnesem L-255 cm montowana w urządzeniach chłodniczych.
Uszczelka w kolorze szarym
Zakres temp. pracy: od -5°C do 40°C.
Cena za sztukę L-255 cm.
Jest możliwość zamówienia uszczelki z magnesem w postaci gotowej ramki.
Ogólne informacje:
Żywotność uszczelki lodówki jest ściśle związana z intensywnością użytkowania i sposobem jej utrzymania. Inne ważne czynniki to:
– jakość miękkiej mieszanki PVC
– jakość wytłaczania
– jakość magnesu
– maszyny do spawania narożników uszczelnienia
Jakość profili PVC
Wszystkie uszczelki lodówki spełniają najwyższe standardy jakości. Wszystkie użyte związki spełniają europejskie przepisy dyrektywy 2011/65 / UE lub RoHS 2.
W 2003 r. Weszła w życie pierwsza europejska dyrektywa 2002 / EG (RoHS) dotycząca ograniczenia stosowania niebezpiecznych substancji w sprzęcie elektronicznym. Wymagania te zostały jeszcze bardziej zaostrzone w 2011 r. W dyrektywie 2011/65 / UE, która została uznana za obowiązującą od 3 stycznia 2014 r. Ta nowa dyrektywa uzupełnia dodatkowo szczegółowe przepisy, takie jak opisane w rozporządzeniu (WE) 1907/2006 dotyczącym rejestracji, oceny, autoryzacji i ograniczenia chemikaliów (skrót REACH). Dodatkowe ograniczenie to wykorzystanie niebezpiecznych substancji w sprzęcie elektrycznym i elektronicznym do ochrony zdrowia publicznego i środowiska.
Specjalny skład PVC
Niektóre nasze profile są wykonane ze specjalnej jakości mieszanki. Uszczelki lodówkowe mają następujące cechy wyróżniające:
– utrzymanie elastyczności nawet w niskich temperaturach
– łatwiejszy montaż dzięki większej rozciągliwości i elastyczności materiału
– profil pozostaje miękki i elastyczny dłużej
Jakość spawanych narożników
Uszczelki do lodówek są produkowane ręcznie z dużą precyzją. Ważne jest, aby profile były połączone pod kątem 90 stopni. Kilka „komór” profilu musi być również precyzyjnie połączonych, dzięki czemu uszczelka jest w stanie wykonać szczelne połączenie, gdy drzwi lodówki lub szuflada są zamknięte.
Szansa na wady produkcyjne jest ograniczona do absolutnego minimum dzięki systemowi zapewnienia jakości.
W procesie produkcyjnym wszystkie szwy spawalnicze są sprawdzane pod kątem jakości. W związku z tym sprawdzamy:
– poziom stopienia materiału w spoinie
– pełne połączenie całego profilu, zarówno na zewnątrz, jak i wewnątrz.
| Cechy produktu | |
| Kolor | szary |


Opinie
Na razie nie ma opinii o produkcie.