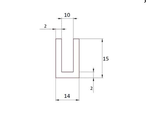
Osłona krawędzi lite EPDM do zabezpieczania krawędzi ostrych o max grubości 10 mm. Ta osłona krawędzi wykonana została z litego EPDM charakteryzującego się wysoką elastycznością. Profil EPDM nie jest zbrojony.
Cena za metr bieżący. Minimalna ilość zakupu to 1 mb cięty z rolki 50 metrów.Towar przycięty na wymiar podany przez Klienta nie podlega zwrotowi.


