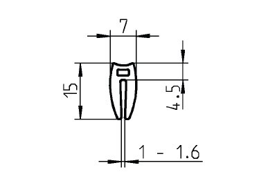
podstawowa uszczelka wpinana do pokryw, drzwi i paneli wykonana z pvc. montaż uszczelki pvc jest bardzo prosty – uszczelki te są po prostu wciskane na krawędź blachy. uszczelki w razie konieczności mogą być klejone. profil uszczelniający z białego, elastycznego pvc.
Cena za metr bieżący. Minimalna ilość zakupu to 1 mb cięty z rolki 100 metrów.
Towar przycięty na wymiar podany przez Klienta nie podlega zwrotowi.
Towar przycięty na wymiar podany przez Klienta nie podlega zwrotowi.


