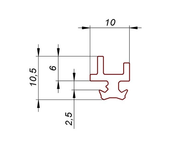
Profil gumowy wsuwany w profil drzwi aluminiowych naczepy. Uszczelka gumowa drzwi naczepy montowana najczęściej po stronie zawiasów. Poniżej rysunek techniczny uszczelki gumowej drzwi naczepy.
Cena za metr bieżący. Minimalna ilość zakupu to 1 mb cięty z rolki 50 metrów.
Towar przycięty na wymiar podany przez Klienta nie podlega zwrotowi.
Towar przycięty na wymiar podany przez Klienta nie podlega zwrotowi.

