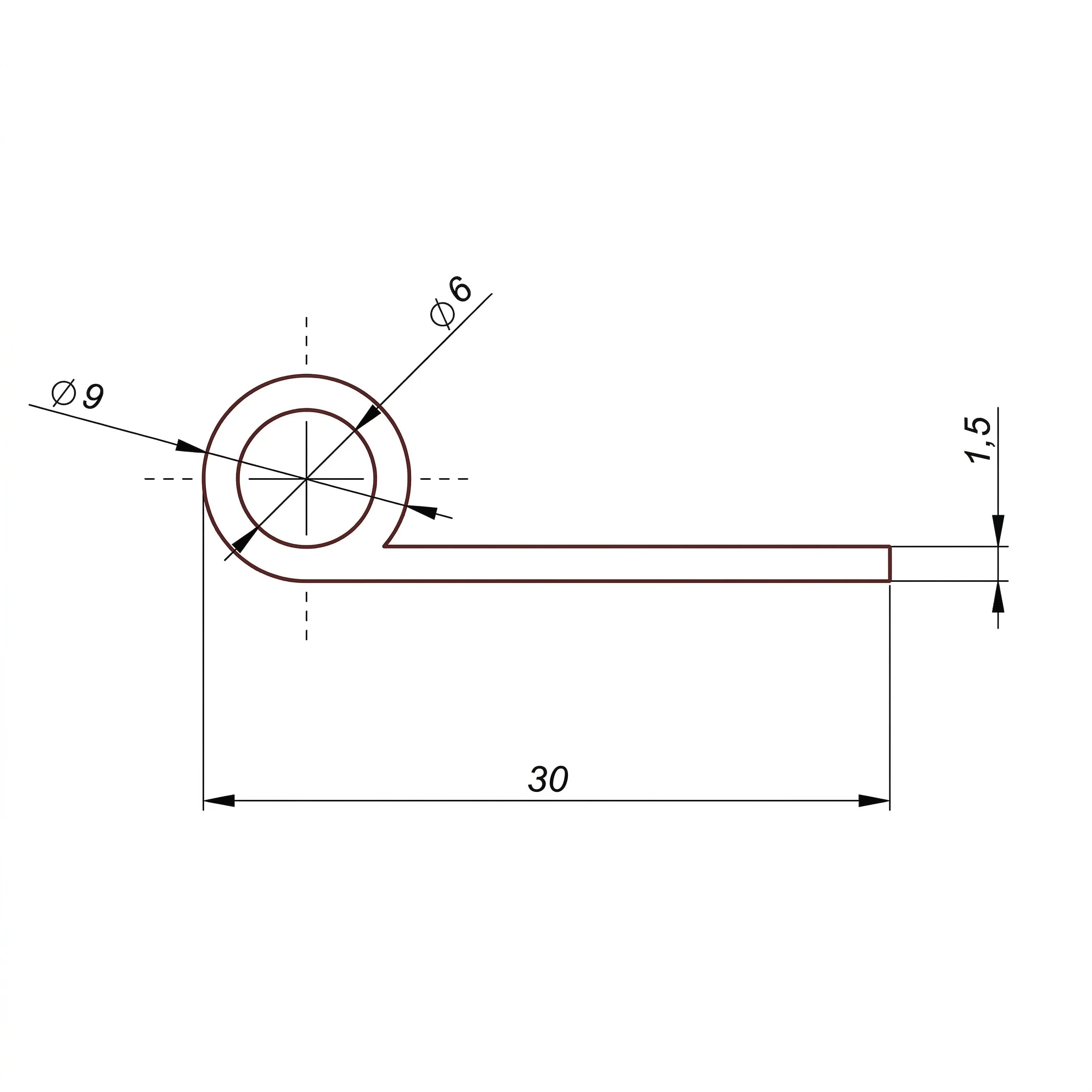
Podstawowa uszczelka wpinana EPDM to rodzaj profilu uszczelniającego przeznaczony m.in. do zabezpieczania i uszczelniania krawędzi pokryw, drzwi oraz paneli sterowniczych. Produkt ten wykonany jest z trwałej gumy EPDM i ma kształt profilu z okrągłą główką uszczelniającą i płaską płetwą montażową o wymiarach średnicy zewnętrznej 9 mm oraz całkowitej szerokości 30 mm.
Uszczelka EPDM najlepiej zachowuje swoje właściwości podczas ekspozycji na czynniki atmosferyczne, promieniowanie UV oraz ozon, zachowując elastyczność w szerokim zakresie temperatur.
Dodatkowo warto wspomnieć o tym, że montaż uszczelki jest niezwykle intuicyjny i nie wymaga specjalistycznych narzędzi – profil jest po prostu wciskany pod krawędź blachy.
Istotne jest także to, że uszczelka wpinana w miejscach narażonych na duże drgania lub w specyficznych aplikacjach może być dodatkowo klejona, co zapewnia jeszcze większą stabilność mocowania.
PRZEZNACZENIE:
Uszczelnianie obudów maszyn i urządzeń przemysłowych.
Zabezpieczanie krawędzi w szafach sterowniczych i panelach rozdzielczych.
Zastosowania w branży motoryzacyjnej (klapy, drzwi, schowki).
Ochrona przed wilgocią, kurzem i hałasem w konstrukcjach metalowych.
NAJWAŻNIEJSZE CECHY:
Wysoka odporność: wykonanie z EPDM gwarantuje długowieczność nawet w trudnych warunkach zewnętrznych.
Optymalna twardość: twardość rzędu 55° Shore A zapewnia idealny balans między elastycznością a stabilnością kształtu.
Prosty montaż: metoda „na wcisk” znacząco skraca czas instalacji.
Możliwość personalizacji: towar cięty z rolki zbiorczej (50 m) pozwala na dopasowanie długości do konkretnego projektu.
DANE TECHNICZNE:
| Parametr | Wartość |
| Materiał | EPDM |
| Kolor | Czarny |
| Twardość | 55° Shore A |
| Średnica zewnętrzna ($\varnothing$) | 9 mm |
| Średnica wewnętrzna ($\varnothing$) | 6 mm |
| Szerokość całkowita | 30 mm |
| Grubość ścianki / płetwy | 1,5 mm |
| Długość rolki | 50 mb |
| Minimalna ilość zakupu | 1 mb |
Forma dostawy: zakupioną liczbę sztuk (metrów) wysyłamy w jednym odcinku.

