Boczna uszczelka profilowa drzwi roletowych (250 cm)
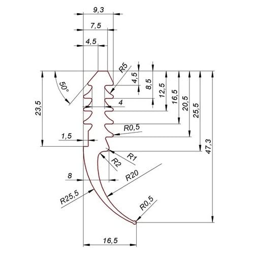
Wysokiej jakości uszczelka boczna przeznaczona do profesjonalnego uszczelnienia krawędzi drzwi roletowych w pojazdach, takich jak samochody dostawcze czy zabudowy specjalne. Jej unikalny kształt profilu (widoczny na rysunku) gwarantuje szczelne i trwałe połączenie.
Główne cechy:
Zastosowanie: uszczelnienie boczne prowadnic drzwi roletowych.
Montaż: profil gumowy wciskany (wsuwany) w dedykowany kształtownik stalowy ramy lub prowadnicy rolety samochodowej.
Wymiar: długość jednej sztuki to 250 cm (2,5 metra).
Materiał: wykonana z trwałego kauczuku EPDM (Etyleno-Propyleno-Dienowego), który cechuje się doskonałą odpornością na warunki atmosferyczne, ozon i promieniowanie UV.
Twardość: uszczelka posiada zróżnicowane strefy twardości dla optymalnej funkcjonalności:
Twardość materiału: 90 ± 5 Shore A
Twardość materiału (inna strefa/część profilu): 60 ± 5 Shore A (Wskazuje to na konstrukcję dwuskładnikową lub zróżnicowaną twardość w celu ułatwienia montażu i zapewnienia skutecznego docisku).
Sprzedaż: cena dotyczy jednej sztuki (o długości 250 cm).
Idealna do napraw i serwisu rolet, zapewnia skuteczną ochronę przed wilgocią, kurzem i wibracjami.


