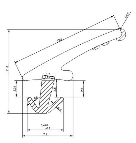
Uszczelka do aluminiowych rolet żaluzjowych firmy MCD (MCD France / Groupe Pommier), powszechnie stosowanych w pojazdach specjalistycznych (wozy strażackie, samochody serwisowe) oraz w zabudowach przemysłowych.
Uszczelka ślizgowa prowadząca, wsuwana w aluminiowy profil boczny rolety żaluzjowej.
Uszczelka żaluzjowa sabilizuje pancerz rolety, wycisza jego pracę i zapobiega drganiom metalu o metal.
Cena za sztukę L – 4m.

