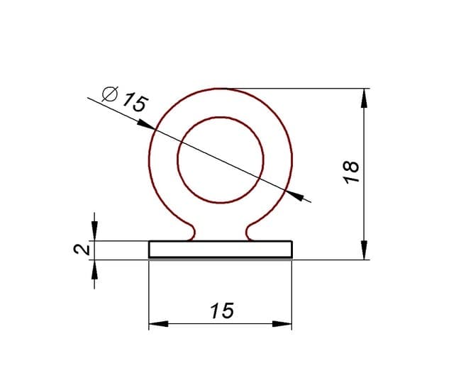
Uszczelka gumowa EPDM samoprzylepna, typ D, zbrojona to rodzaj profilu uszczelniającego przeznaczony m.in. do skutecznego zabezpieczania szczelin w stolarsce otworowej, bramach oraz maszynach przemysłowych. Produkt ten wykonany jest z wysokiej jakości gumy EPDM i ma budowę dwukomponentową (podwójna twardość) o przekroju w kształcie litery D. Podstawa uszczelki posiada twardość Shore 95 A, co zapewnia stabilność montażu, natomiast górna część to miękkie EPDM, gwarantujące doskonałe dopasowanie i szczelność.
Uszczelka gumowa EPDM najlepiej zachowuje swoje właściwości w szerokim zakresie temperatur (typowym dla EPDM od -40°C do +120°C), wykazując pełną odporność na działanie warunków atmosferycznych, promieniowanie UV oraz ozon.
Dodatkowo warto wspomnieć o tym, że dzięki zastosowaniu zbrojonej podstawy o wysokiej twardości, profil nie ulega nadmiernemu rozciąganiu podczas montażu, co przekłada się na precyzyjne przyleganie do powierzchni.
Istotne jest także to, że uszczelka gumowa EPDM jest produktem docinanym na indywidualne zamówienie z rolki zbiorczej. Towar przycięty na wymiar podany przez Klienta nie podlega zwrotowi.
PRZEZNACZENIE:
-
Uszczelnianie drzwi i okien (domowych oraz przemysłowych).
-
Zabezpieczanie włazów, skrzyń i szaf sterowniczych.
-
Zastosowania w przemyśle motoryzacyjnym i maszynowym.
-
Izolacja termiczna i akustyczna pomieszczeń.
-
Ochrona przed kurzem, wilgocią i przeciągami.
NAJWAŻNIEJSZE CECHY:
-
Podwójna twardość: Stabilna podstawa (Shore 95 A) i miękkie wykończenie uszczelniające.
-
Wzmocniona konstrukcja: Profil zbrojony, odporny na deformacje.
-
Łatwy montaż: Mocna warstwa samoprzylepna pozwalająca na szybką instalację.
-
Trwałość: Materiał EPDM nie starzeje się i nie parcieje pod wpływem słońca czy mrozu.
-
Elastyczność: Doskonale kompensuje nierówności uszczelnianych powierzchni.
DANE TECHNICZNE:
| Parametr | Wartość |
| Typ profilu | D (samoprzylepny, zbrojony) |
| Materiał | Guma EPDM |
| Kolor | Czarny |
| Twardość podstawy | Shore 95 A |
| Góra profilu | Miękkie EPDM |
| Jednostka sprzedaży | Metr bieżący (mb) |
| Minimalny zakup | 1 mb |
| Konfekcja | Rolki po 100 m (cięte na wymiar) |
| Informacja o zwrotach | Brak możliwości zwrotu (produkt personalizowany) |
Informacja dla kupujących: Kupując 1 sztukę, otrzymujesz 1 mb uszczelki. Kupując np. 5 sztuk, otrzymujesz 5 metrów bieżących w jednym odcinku.







