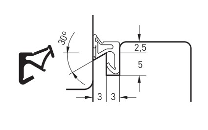
Profil uszczelniający do okien euro wykonany z wysokiej jakości tworzywa TPE (termoplastyczny elastomer) charakteryzujący się doskonałymi właściwościami mechanicznymi. Profil zaprojektowany do uzyskania optymalnej dymo- i dźwiękoszczelności.
Cechy uszczelki okiennej:
komfortowe zamykanie okna dobra pamieć kształtu pierwotnego przy obciążeniu statyczynym odporność na niskie temperatury klasyfikacja według PN-EN 12365 W 35243
Zalety uszczelki w trakcie montażu:
utwardzona podstawa uszczelki ułatwiająca montaż zabezpieczenie przed rozciągnięciem wzdłużnym dokładne i stabilne łączenie w narożach
Kolor: brąz rustykalny (~ RAL 8014)
Cena za metr bieżący. Minimalna ilość zakupu to 1 mb cięty z rolki 100 metrów.Towar przycięty na wymiar podany przez Klienta nie podlega zwrotowi.


