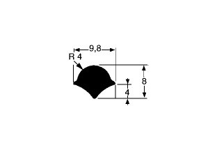
Uszczelki do okien używane są do montażu szyb, okien, itp. w drzwiach, obudowach i osłonach maszyn. Szyba jest mocowana przy pomocy wypełniacza i utrzymywana uszczelkami przyszybowymi w wycięciu. Uszczelki do drzwi wykonane są z EPDM o doskonałej odporności na warunki atmosferyczne i działanie ozonu. EPDM (kauczuk etylenowo-propylenowy) jest odporny na farby.
Cena za metr bieżący. Minimalna ilość zakupu to 1 mb cięty z rolki 20 metrów.Towar przycięty na wymiar podany przez Klienta nie podlega zwrotowi.
Wypełniacz w cenie.



