uszczelki do okien używane są do montażu szyb, okien, itp. w drzwiach, obudowach i osłonach maszyn. szyba jest mocowana przy pomocy wypełniacza i utrzymywana uszczelkami przyszybowymi w wycięciu. uszczelki do drzwi wykonane są z epdm o doskonałej odporności na warunki atmosferyczne i działanie ozonu. epdm (kauczuk etylenowo-propylenowy) jest odporny na farby.
profil mocujący z czarnego epdm o twardości shore a 75° +/- 5 z wypełniaczem z czarnego epdm o twardości shore a 85° +/- 5
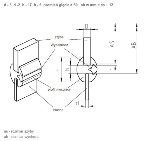
d – 5 d -2 h – 17 h – 5 promień gięcia > 50 ab w mm = as + 12
as – rozmiar szyby
ab – rozmiar wycięcia
Cena za metr bieżący. Minimalna ilość zakupu to 1 mb cięty z rolki 50 metrów.Towar przycięty na wymiar podany przez Klienta nie podlega zwrotowi.



