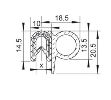
Profile wpinane posiadają właściwości profili chroniących krawędzie i profili uszczelniających.
Część uszczelniająca profili wykonana jest z gumy piankowej, natomiast powierzchnia zacisku składa się z gumy miękkiej ze stalowym rdzeniem do wpinania.
Dwa rodzaje tworzyw są ze sobą spajane w trakcie wytłaczania w procesie wulkanizacji.
Materiał: czarna guma porowata EPDM – profil mocujący PVC Shore A 75° +/- 3 Shore A
Cena za metr bieżący. Minimalna ilość zakupu to 1 mb cięty z rolki 50 m.
Towar przycięty na wymiar podany przez Klienta nie podlega zwrotowi.

| Cechy produktu | |
| Krawędź | 1 mm 2 mm 3 mm 4 mm |
| Kolor uszczelki | czarna |


Opinie
Na razie nie ma opinii o produkcie.